성공사례
 

[발명의 명칭]

무단 횡단 방지를 위한 차선분리대(the lane divider to prevent jaywalking)

[출원번호/일자)]

2024-0140049 (2024.10.15)

[등록번호/일자)]

2801036 (2025.04.22)

 

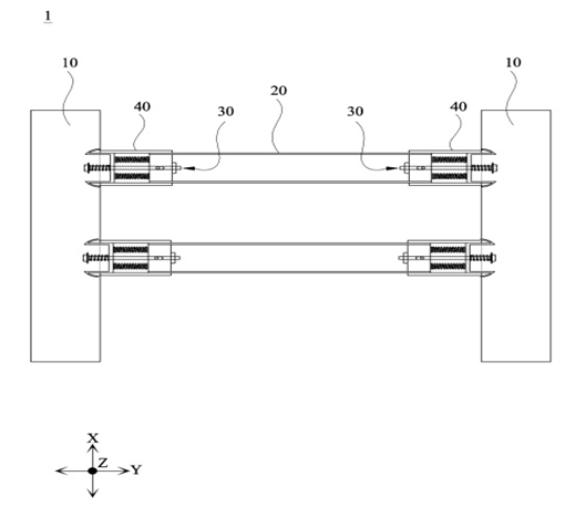
[요약]

본 발명은 지면에 설치되며, 지면에 대해 수직한 제1방향으로 연장된 지주대, 지주대에 연결되며, 제1방향에 수직한 제2방향으로 연장된 가로대, 지주대와 가로대를 연결하는 결합모듈을 포함하며, 결합모듈은, 지주대에 체결되는 지주대체결부, 가로대에 체결되는 가로대체결부, 제2방향으로 연장되며, 지주대체결부와 가로대체결부에 연결된 결합샤프트, 지주대체결부를 관통하여, 지주대의 내측을 향하여 돌출된 결합샤프트의 제1돌출부에 배치된 제1탄성부재, 및 지주대체결부와 가로대체결부의 사이에 배치된 제2탄성부재를 포함하여, 가로대의 유동성을 충분히 확보하며, 설치 및 조립이 용이하다.

 

[대표도면]

image.png

 

[상세보기]

상담신청

의뢰인의 권익을 위해 항상 노력하겠습니다.

*성함
*연락처
*상담내용
사진 및 파일 첨부

여기에 파일을 끌어 놓거나 왼쪽의 버튼을 클릭하세요.

파일 용량 제한 : 0MB (허용 확장자 : *.*)

0개 첨부 됨 ( / )
상담내용을 입력해 주세요.